Подключение поверхностного насоса

Поверхностные насосы в последнее время устанавливаются на загородных участках чаще, чем погружные. Это связано с простотой установки и длительным сроком службы. Система состоит из следующих элементов:
- Системы управления. В продаже можно встретить модели насосов, которые имеют блок управления электрического типа. Однако для того, чтобы сделать систему автоматизированной устанавливают отдельный системный блок управления.
- Два сетевых шнура. Один из низ предназначен для подключения устройства, другой для подвода электричества.
- Автоматический элемент. При работе насоса есть вероятность возникновения перегрузки или короткого замыкания, в результате чего насос выйдет из строя, а ремонт повлечет существенные финансовые затраты. Автоматический выключатель защищает насос от износа.
- Сетчатый фильтр, который проводит отделение различной примеси.
- Непосредственно сам насос поверхностного типа.
- Ниппель и тройник для дальнейшей разводки.
Отдельное внимание всегда уделяется выбору насоса, так как он является основным элементом конструкции. При проведении выбора опираются на следующие рекомендации:
- Показатель производительности.
- Требуемая высота подъема воды.
- Тип шланга, который подключается на всасывание.
Также уделяется внимание тому, при каких условиях будет эксплуатироваться система. К примеру, холодная среда становится причиной, по которой происходит разрыв трубы
Именно поэтому нужно обеспечить защиту конструкции от воздействия холода.
Одна скважина на две семьи
Целесообразность строительства скважины на два дома оправдана экономией денежных средств: все расходы по бурению скважины, ее обустройству и дальнейшему обслуживанию делятся пополам. Однако чтобы не возникло проблем и напряженных взаимоотношений между двумя пользователями одного источника водоснабжения, планируя запитать водопроводные системы двух домов от одной скважины, следует оценить множество условий.
Особенности эксплуатации скважины на две семьи
Прежде чем начать строительство общего источника водоснабжения, необходимо оценить дебит будущей скважины, чтобы воды в ней в будущем оказалось достаточно для обеспечения двух домов. В расчетах следует учесть количество точек водоразбора и количество проживающих в каждом из домов. Для обеспечения водой двух и более участков необходимо остановить выбор на артезианской скважине — источнике, обладающем значительным водяным дебитом, не заиливающимся, не требующем регулярного ремонта.
Нельзя забывать и о том, что бурение скважины будет вестись на территории одного из соседей, а значит, он вправе потребовать некоторую компенсацию за использование его территории и те неудобства, которые будут возникать в момент проведения профилактических и ремонтных работ. Вероятно, лучшим вариантом станет бурение скважины на границе двух участков.
Одна скважина на два дома: плюсы и минусы
Из положительных сторон эксплуатации одной скважины двумя собственниками в первую очередь необходимо отметить финансовую составляющую:
- оформление разрешительной документации;
- проведение гидрогеологических исследований;
- бурение скважины;
- приобретение и монтаж оборудования.
Как уже говорилось, все расходы по строительству, обустройству и обслуживанию источника водоснабжения делятся между двумя собственниками в оговоренных в зависимости от расхода воды долях.
Чтобы максимально исключить риск возникновения разногласий между собственниками скважины, необходимо оборудовать системы водоснабжения двух домов приборами учета расхода воды и рассчитывать финансовые вложения на основе объема использованных водных ресурсов.
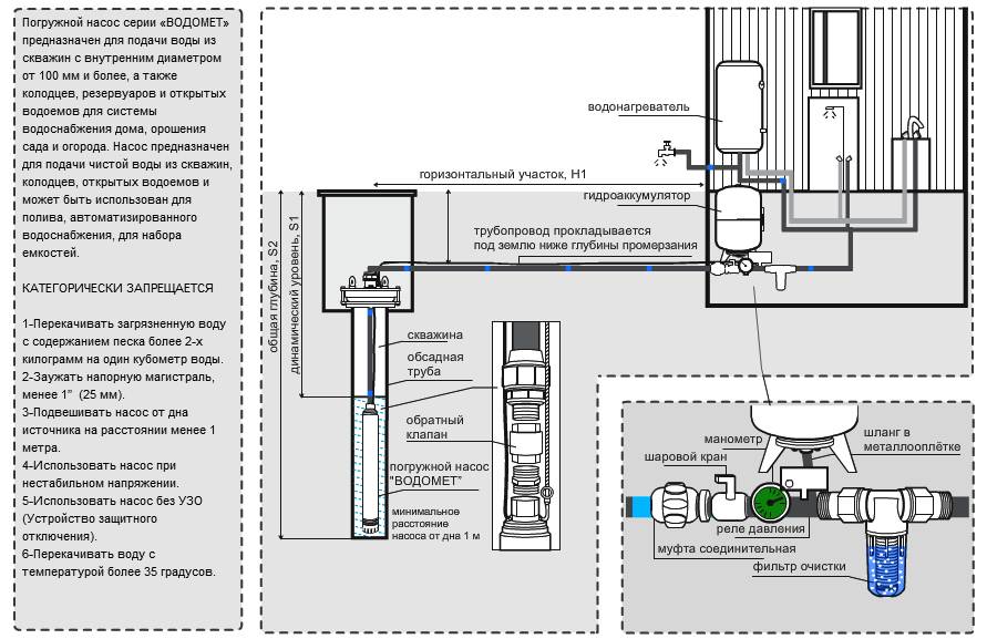
Подключение глубинного насоса к системе водоснабжения
При устройстве индивидуальной системы водоснабжения еще на стадии проведения буровых работ следует знать диаметр и материал изготовления трубопровода, глубину залегания водопроводной линии, рабочее давление в системе, на которое рассчитано оборудование. При монтаже и включении водопровода руководствуются следующими рекомендациями:
При использовании водопроводной системы в зимнее время придется принимать меры по ее защите от холода. Обычно трубы прокладывают под землей и выходить они должны из оголовка скважины, поэтому понадобится устройство кессонной ямы для установки и обслуживания оборудования. Чтобы сделать ее более удобной и снизить глубину, водопроводную линию утепляют и обогревают электрическим кабелем.

Рис. 6 Сборка насосной станции своими руками – основные этапы
- При определении глубины погружения электронасоса, устанавливают динамический уровень при включенном оборудовании и подвешивают агрегат на 2 метра ниже установленной отметки, минимальное расстояние до дна у глубинных моделей 1 метр.
- При использовании песчаных скважин обязательна установка в водопроводную линию фильтров для песка или грубой очистки перед оборудованием.
- Электронасосы меняют свою эффективность откачки при изменении питающего напряжения, поэтому для стабильной работы лучше приобрести стабилизатор напряжения и подключить к нему оборудование.
- Для удобства работы и обслуживания часто проводится сборка насосной станции своими руками. На гидроаккумулятор монтируются манометр и реле давления с использованием стандартного пятивходового штуцера, но так как там отсутствует патрубок для крепления реле сухого хода, его придется устанавливать на дополнительный тройник.
- Часто электронасосы имеют короткий кабель питания, с недостаточной длиной для подключения к питающей сети. Его удлиняют путем припаивания аналогичного с дальнейшей изоляцией точки соединения термоусадочной муфтой.
- Обязательно присутствие в водопроводной системе фильтров грубой и тонкой очистки. Они должны размещаться до автоматики системы управления, в противном случае попадание песка и грязи приведет к их некорректной работе и поломкам.

Рис. 7 Размещение автоматического оборудования в кессонной яме
Цены на монтаж насосного оборудования
Ниже представлены типовые сметы на монтаж насосного оборудования (монтаж кессона или скважинного адаптера, скважинного насоса и автоматики) при различных глубинах монтажа насоса: от 20 метров до 100 метров с шагом 10 метров.
В стоимость монтажа скважинного насоса, кессона и автоматики включены транспортные расходы до 30 километров от МКАД.
Таблица цен на обустройство скважины
| Глубина монтажа насоса | Обустройство артезианской скважины | |||||
| С кессоном | Со скважинным адаптером | |||||
| руб. | руб. | руб. | руб. | руб. | руб. | |
| 20 метров | 83180 | 87975 | 117240 | 57800 | 62595 | 100560 |
| 30 метров | 88180 | 93125 | 120240 | 62800 | 67745 | 103560 |
| 40 метров | 91080 | 96025 | 127713 | 65700 | 70645 | 111033 |
| 50 метров | 96230 | 100725 | 140919 | 70850 | 75345 | 124239 |
| 60 метров | 102530 | 107025 | 150609 | 77150 | 81645 | 133929 |
| 70 метров | 107230 | 115425 | 153859 | — | — | — |
| 80 метров | 110130 | 118325 | 158873 | — | — | — |
| 90 метров | — | 121225 | 162123 | — | — | — |
| 100 метров | — | 124125 | 165373 | — | — | — |
Поверхностная и погружная модели – эффективный тандем ↑
Существуют также схемы подключения поверхностного и погружного насосов. Правда, этот вариант не рассчитан на самостоятельную работу устройств. Они являются взаимодополняющими и используются, если один прибор не в состоянии обеспечить нужное давление в системе. Тогда погружной насос работает на подачу воды к поверхностному.
Чтобы устройства работали слаженно, необходимо:
- синхронизировать их включение, параллельно подсоединив к реле давления;
- убедиться, что расход воды приборов одинаков;
- позаботиться о наличии системы защиты от сухого хода для обоих приборов (также ее можно установить на реле давления).

Что такое автоматика для скважины
Автоматические системы управления включают в себя электронику (реле давления, холостого хода, протока), манометр, гидроаккумулятор или модули, в которых эти элементы объединены – все они отвечают за оптимальное функционирование водопроводной магистрали.
В водоподающей линии автоматика выполняет следующую роль:
- Управляет электронасосом, отключая его по мере наполнения магистрали. В высокотехнологичных системах вместо отключения используется регулировка его скорости вращения электродвигателя.
- Защищает водопроводную магистраль от гидроударов и способствует созданию некоторого водного запаса при поломке оборудования или пропадании электричества.
- Включает в себя защитные устройства для насоса, которые прерывают поступление на него электрического тока в случае отсутствия воды в источнике.

Рис. 2 Пример устройства скважинного водозаборного источника
Погружной и поверхностный насосы
Комбинированное подсоединение применяется, когда ни одно из устройств по отдельности не способно поддерживать необходимые параметры водообеспечения. Чтобы создать требуемое давление в системе, нужно последовательно подсоединить два напорных прибора к одной скважине. Погружное оборудование подает жидкость к насосной станции, а она, в свою очередь, обеспечивает достаточный напор в водопроводе.
Так как оба аппарата в такой схеме взаимно дополняют друг друга, их работу нужно согласовать:
- удостовериться в одинаковой производительности обоих насосов;
- провести синхронизацию запуска приборов, параллельно подсоединив их к реле давления;
- использовать контроль работы всухую для каждого агрегата либо обеспечить общую защиту.
Поверхностный и погружной насосы могут и не быть взаимодополняющими. Если позволяют технические характеристики, их можно эксплуатировать автономно для организации водообеспечения отдельных хозяйств.
Чтобы не возиться с двумя насосными установками, изобретая для них специальные крепежи и методы монтажа, проще купить на два участка мощный насос, а каждый дом оборудовать индивидуальным гидравлическим накопителем. Настройку автоматики пуска и остановки напорного оборудования можно выполнить так, чтобы запуск агрегата производился с любого участка.
Комплект скважинного насоса
С помощью строительных стяжек, через каждые 1,5 — 2 метра необходимо закреплять трос в трубе. Осуществляет подключение скважинного насоса и его отключение.
Как правило, установку и подключение погружного насоса начинают производить, начиная с обвязки гидроаккумулятора, наборки на него оборудования.
Регулировка пределов давления в накопителе осуществляется посредством реле. Подключение электрических приборов лучше делать через стабилизаторы, а сложное и дорогое электрооборудование — через специальные станции управления и защиты. Насосный кабель может подключаться непосредственно к сети электричества, тогда использование дополнительных устройств не потребуется.
Мембрана не позволяет жидкости выливаться из трубы. Блоки управления третьего поколения Автоматика третьего поколения надежная, качественная и дорогая. Обратный клапан — это перепускная мембрана, которая устанавливается непосредственно на выходе силового агрегата, препятствуя обратному оттоку жидкости из трубы.
Мы же рассмотрим лишь основные моменты, которые помогут понять в чем заключается обустройство собственной системы водоснабжения. Последние имеют минимальный уровень шума и потребляют меньше энергии, чем одноступенчатые. Напорная труба отрезается на уровне земли и вместе с кабелем, через оголовок заводится в техническое помещение в утепленном лотке.
Схема для поверхностного скважинного насоса
Скважинный оголовок. Для этого применяется основная шина дома, соединяющаяся с уже имеющимся заземляющим контуром здания.
Металлопластиковые финтинги и трубы, ведущие в дом. В корпусе эжектора смонтировано сопло зауженного сечения. Гибкий вариант монтажа предпочтительней, так как позволяет регулировать глубину погружения агрегата. Вывод Представленные электрические схемы подключения скважинного насоса являются самыми простыми, но наиболее распространенными в частном секторе для водоснабжения дома. Стальной трос для крепления электронасоса к оголовку.
В процессе потребления воды цикл повторяется. Рекомендованное расположение для результативной работы, безопасности: в нескольких метрах, ближе к водозабору; как можно дальше от населенного пункта; в закрытом помещении, с вытяжной вентиляцией; на прочном фундаменте. Такой насос будет работать, но эффективность его работы будет спорной. Продлевает ресурс насоса, увеличивая время включения и выключение двигателя, путем аккумулирования воды в резервуар. Скважинный оголовок.
►Подключение скважинного насоса к системе водоснабжения
Бурение скважины на воду на два дома
Скважина на воду на два дома позволяет значительно сэкономить на бурении и обустройстве. Но следует помнить, что возросший в два раза расход воды повышает требования к производительности скважины и водоподъемного оборудования.
Очевидно, что из-за высокого уровня водопотребления источником воды для двух загородных домов может быть только артезианская скважина с хорошим дебитом. Скважина на песок не только не обладает достаточным дебитом, но может заилиться или даже пересохнуть, лишив воды сразу оба дома.
выкопан котлован для кессона | кессон смонтирован, идет подготовка к монтажу автоматики |
Кроме параметров скважины необходимо учесть длину наружных водопроводных труб и количество точек водоразбора в каждом доме
Не менее важно выбрать эффективную схему наружной разводки водопровода от скважинного кессона в каждый дом. Длинные участки труб потребуют более высокого напора в системе
А если к обоим домовладельцам на выходные приедут гости и включат сразу все краны, то водопотребление подскочит до пикового уровня.
На выбор схемы наружной разводки труб из кессона влияет расстояние между домами.
Если два дома расположены близко, то схема разводки используется обычная. Оптимальный для пробуренной скважины мембранный бак ставится в кессоне. Из бака выходит патрубок с тройником, из тройника две линии разводят воду в каждый дом.
Если дома стоят на значительном удалении, то две подающие трубы выходят из тройника, который непосредственно врезан в напорную трубу, идущую от скважинного насоса. В каждом доме ставится по мембранному баку среднего объема.
автоматика смонтирована, готовы выходы на два дома | кессон с автоматикой смонтирован |
В реальной ситуации решения по организации водоснабжения на два дома могут отличаться. Например, в каждом доме можно дополнительно поставить накопительный бак и наполнять его, когда Ваш сосед не пользуется скважиной. Такое решение делает Вас независимым в случае, если водопотребление соседа резко возрастет и дебита скважины не будет хватать на двоих.
И последнее, но не менее важное. Решаясь на водоснабжение двух домов из одной скважины надо заранее решить все вопросы о доле ответственности каждого в судьбе скважины и, конечно, вопросы оплаты
Скорее всего, скважина будет располагаться на одном из участков. Логично, что владелец этого участка получает право на компенсацию в какой-либо форме, так как на его плечи ложится больше ответственности за состояние скважины. Поэтому с позиции равного долевого участия возможно следует бурить скважину на границе участков.
Все подобные вопросы необходимо обговорить и зафиксировать до начала использования системы общего водоснабжения. В ином случае споры о том, кто и сколько должен платить за ресурсы или за ремонт оборудования и скважины скорее всего испортят дружеские отношения.
Одно из очевидных решений — установка электрических и водомерных счетчиков, которые снимают вопросы по раздельной оплате за воду и электричество.
Окончательную схему разводки водоснабжения на два дома из одной скважины предоставит инженер компании после посещения Ваших участков.
Условия эксплуатации двухнасосной системы ↑
Главное требование к эксплуатации двух насосов в одной скважине – соответствующий дебит источника. Он должен быть минимум на 10% выше суммарного расхода обоих приборов. В противном случае произойдет быстрое опустошение скважины, а при частом повторении данного процесса велика вероятность заиливания.
Второе требование – необходимый размер обсадной трубы. Самые компактные погружные аппараты – трехдюймовые – имеют диаметр 74 мм (хотя на практике данный параметр может увеличиваться еще на пару миллиметров). Дажев трубе 150 мм такие, казалось бы, узкие модели не получится расположить бок о бок, учитывая требование к зазору между корпусом и обсадной трубой. Поэтому их придется размещать один над другим.
2 насоса в одной скважине — реально?
Мне сосед тоже предлагал в складчину сделать, я его времянкой к себе подключил за спасибо, а прошлым сезоном он свою пробурил.
Как делить-то будете, не дай бог?
не будет работать только схема один общий отдельный электросчетчик на насос + два счетчика на воду.
платить по электросчетчику пропорционально показаниями водяных щетчиков
любая схема с коммутацией цепи эпитания насоса чревата перебоями подачи воды одному из домохозяйств.
100% технически рабочая схема это только 1 счетчик на элво + счетчик на воду на каждый дом. + скважина на границе + счетчик на общем заборе + адекватные акционеры
ээээ..не понял. Коммутацией насоса регулируется давление в гидроаккумуляторе,так? Если мне надо в моем поднять давление,а насос в этот момент качает соседу на всю дырку и не может поднять давление до отсечки потому как псыкалки на улице работают на полив,то как забрать себе воду,пусть и с прерыванием подачи?
Вот тут и начнутся проблемы. Либо насос ставить такой,чтобы на весь поселок его подачи хватало и тогда в самом тяжелом режиме водоразбора он будет отключаться от сети дома,который интенсивно потребляет воду,давая таким образом совладельцу влезть в этот промежуток.Правда,потом придется думать чем «поднять» такой насос,когда отключат электричество длительно,ибо не всякий генератор такой примет на себя.Либо ставить насос скромнее и думать.В любом случае рано или поздно ситуация сведется к борьбе за целостность овец и сытость волков.
запамятовал,в той схеме клапан отсекает поток воды механически или прекращает подачу электричества на насос при достижении необходимого давления в гидроаккумуляторе?
Насколько помню ту схему,то она самая обычная,за исключением того что подающая магистраль сухая на время пока насос не работает.
Источник статьи: http://forum.auto.ru/housing/3761894/
Скважина на два дома
Строительство скважины на два дома всегда возможно, если предусмотреть равноправное водоснабжение всех участников кооперации. Один неправильный технический просчет может привести к напряженным взаимоотношениям, отчего чистая влага станет отдавать горечью.
Проект на два дома составляется, исходя их глубины залегания, дебита, конструкции скважины, кессонного и насосного хозяйств, разводки труб, обвязки внутри дома, автоматики и прочих нюансы.
Целесообразность одной скважины на две семьи
Вопрос целесообразности строительства одной скважины на два лома возникает, если есть обильный дебит. Разумно ведь поделить все расходы пополам. По сути, есть две схемы, которые, собственно, нетрудно выполнить.
Если два дома располагаются вблизи друг от друга, то применяется традиционная обвязка:- насос, с обратным клапаном на конце приемной трубы;- реле давления;
– гидроаккумулятор, с выходящим из него патрубком и тройником.
От тройника делается разводка на два дома. При таком варианте, бак монтируется внутри кессона.
Если два соседа располагаются друг от друга далеко и используют много воды, рекомендуется схема:- врезка тройника в напорную трубу;- разводка к каждому дому;
– установка на каждой трубе бака средней емкости.
Данная схема предусматривает установку реле давления и блок автоматики (если таковая есть) до разведения линий. Исходя из характера пользования водой в каждом доме, следует отладить работу ГА в одинаковом режиме. Иначе они не будут эффективно работать или не функционировать вообще.
Итак, скважина, комплект насосной аппаратуры, одной линии на каждый участок и одному гидроаккумулятору будут достаточны для двух участков.
Автоматику погружного насоса можно соорудить в обычном кессоне, из которого линии пойдут в дом. Желательно, в каждом доме иметь емкий (500 л) накопительный бак. Каждый сосед может включать насос тогда, когда он простаивает. То есть, горит красная лампа – значит насос включен соседом.
Особенности использования скважины на два дома
Известно, что водоносный горизонт не имеет постоянный дебит, поскольку на его баланс постоянно воздействуют различные природные, сейсмические явления. Такие риски есть и это обязывает ознакомиться с гидрогеологическими условиями местности. Соседям следует учесть достаточность дебита на две семьи, наполняемость пласта
Важно учесть протяженность труб и количество точек потребления. Эти факторы будут важны при определении вклада каждого из потребителей
Кстати, сосед, на территории которого будет построена скважина, потеряет часть территории. Он вправе намекнуть о компенсации, поскольку обустройство, профилактика и масса различных текущих работ будут вестись на его участке.
Рекомендации по эксплуатации скважины на два дома
Артезианская скважина – источник, практически не заканчивающейся, не заиливающейся и не высыхающей воды. Именно такие сооружения пригодны для обеспечения двух или более участков. После гидрогеологических исследований и определения дебита скважины можно твердо сказать о достаточности воды на два дома. Этот показатель привязан к числу членов семей, проживающих в каждом доме. При значительной глубине забора (более 150 п.м.), стоимость буровых работ, устройство, обустройство, оснащение оборудованием оказываются более выгодным. Полная стоимость с учетом оформления разрешительной документации также обойдется значительно дешевле.
Преимущества и недостатки скважин на 2 дома
Конечно же, есть выгода иметь одну скважину с комплектом сопутствующего оборудования на два дома. И, конечно же, лучше заплатить рубль вместо двух. Вариант сократит строительство коммуникаций и расходы в два раза. После введения скважины в строй, расходы на ее содержание значительно меньше, чем у мелких водоемов. Они имеют качественные свойства и по восполняемости ресурсов.
Предубеждения о возможных противостояниях соседей имеют место, но не всегда состоятельны.
Подобный расклад снабжения из одного источника требует монтажа электрических и водомерных счетчиков.
Важным фактором остается местонахождение буровой точки. И наилучшим местом для скважины является граница двух участков.
Это один из серьезных недостатков пользования одним источником на два участка. Но все мелкие ссоры и крупные войны заканчиваются за столом переговоров.
Поверхностная и погружная модели – эффективный тандем ↑
Существуют также схемы подключения поверхностного и погружного насосов. Правда, этот вариант не рассчитан на самостоятельную работу устройств. Они являются взаимодополняющими и используются, если один прибор не в состоянии обеспечить нужное давление в системе. Тогда погружной насос работает на подачу воды к поверхностному.
Чтобы устройства работали слаженно, необходимо:
- синхронизировать их включение, параллельно подсоединив к реле давления;
- убедиться, что расход воды приборов одинаков;
- позаботиться о наличии системы защиты от сухого хода для обоих приборов (также ее можно установить на реле давления).

Поверхностная и погружная модели – эффективный тандем
Существуют также схемы подключения поверхностного и погружного насосов. Правда, этот вариант не рассчитан на самостоятельную работу устройств. Они являются взаимодополняющими и используются, если один прибор не в состоянии обеспечить нужное давление в системе. Тогда погружной насос работает на подачу воды к поверхностному.
Чтобы устройства работали слаженно, необходимо:
- синхронизировать их включение, параллельно подсоединив к реле давления;
- убедиться, что расход воды приборов одинаков;
- позаботиться о наличии системы защиты от сухого хода для обоих приборов (также ее можно установить на реле давления).
Схема совместной работы поверхностной и погружной моделей
Подключение электрической части

Важно не только провести подключение самого устройства к трубе и остальным элементам системы, но и обеспечить правильное питание электрического двигателя. При рассмотрении особенностей подключения электрической части отметим следующие моменты:
Большая часть насосов, предназначенных для установки в бытовых условиях, подключается к обычной системе электропитания. Этот момент определяет упрощение монтажных работ. Защита от перегрузки и короткого замыкания представлено стандартным блоком предохранителей
Главное уделить внимание тому, чтобы сеть была рассчитана на существенное увеличение нагрузки. Так большинство моделей имеет мощность в пределе нескольких киловатт.
В продаже есть также и модели, которые могут подключаться к трехфазной сети напрямую
В данном случае сама сеть может иметь систему защиты от перегрузки или короткого замыкания, иди данный блок создается отдельно.
Подключение к электрической сети зачастую представлено соединением розетку и вилки от насоса. Перед тем как проводить подключение следует ознакомиться с рекомендациями по монтажу и эксплуатации. Приведенная производителем информация позволит избежать самых различных проблем.
Устройство источника: выбираем самый лучший
Для круглогодичной подачи воды в свой загородный дом наиболее часто используются песчаные или артезианские скважины. Разберем подробнее, какая из них лучше всего подойдет для вашего участка.
Песчаная скважина способна обеспечить чистой проточной водой небольшой дом и его придомовую территорию, из расчета среднего потребления не более 1,5 куб. м/час. Она идеально подойдет для дачи или небольшого коттеджа.
Бурится на глубину от 10 до 50 метров, чего хватает в большинстве случаев. Жидкость в такой скважине обычно чистая, но тем не менее установка фильтров обязательна, так как может содержать в себе различные примеси. Производительность довольно скромная не более 5 куб.м/час, и срок ее работы обычно находится в пределах 10 лет.
Бурится она на глубину более 100 метров. Главным достоинством считается огромный запас чистейшей воды. Она способна отдавать до 10 куб.м/час. Обычно этого хватает для бесперебойного водоснабжения большого дома с участком, в котором проживают 4–6 человек. При должном уходе способна проработать не менее пятидесяти лет.
Как подключить два дома к одной скважине
По просьбе наших клиентов хочу осветить тему как присоединить два дома к одной скважине. Подключить второго потребителя к скважине, хороший способ сэкономить деньги. Эти варианты используются редко. Вы спросите почему? Ведь это расходы, поделенные пополам. Может ли скважина обеспечить водой несколько потребителей? Да. Технически эта задача выполняется без проблем.
Попробуем обсудить все за и против.
Скважина на два дома плюсы и минусы
Подсоединение скважины на 2 постройки ничем не отличается от схемы врезки для пользователя, у которого одна скважина на дом и баню, барбекю. Реализация данного проекта требует установки кессона. Наличие кессона позволяет развести воду из скважины на несколько строений.
Плюсы:
- Экономия денег за бурение на два дома.
- Сбережение средств при закупке оборудования и расходных материалов. Один кессон на два дома. Расходы по монтажу делятся между участниками. Например, Оборудование, работа под ключ стоит в районе 135000 рублей.
- Если поделить поровну, то 67500;
- 3 участников – 45000;
- 4 уже 33750 р.;
- 10 – 13500.
Мы видим стоимость значительно меняется.
На этом плюсы заканчиваются. Рассмотрим негативные аспекты.
Минусы:
- Место расположения скважины предусматривается на одном из владений. Кто будет этим счастливчиком? Юридически объект привязан к собственнику участка.
В нашей практике был такой случай. Пришла заявка по бурению. Сотрудники приехали заключить договор, посмотрели возможность проезда техники. Заказчик пожилой мужчина рассказал нам свою историю. Пробурили они скважину на 2 участка у соседа. Некоторое время пользовались. Сосед продал дачу. Новый хозяин отрезал деда от скважины отказавшись компенсировать расходы. Пришлось бурить свою личную скважину. Мораль – хозяин должен быть единственным. - Электричество. Присоединить к насосу электропитание можно только от одного счетчика. Как считать электроэнергию со скважины на два дома? Сосед проживает постоянно, другой приезжает летом. Альтернатива, установка дополнительных счетчиков водоучета. Подключение от разных счетчиков электроэнергии реально используя отдельные насосы, а пару приборов поставить в скважину проблематично.
- Вышло из строя оборудование. Кто будет оплачивать? Сосед пользовался много, другой мало. В итоге финансовый спор.
Это важные минусы. Совет, бурите только для себя, подключение двух домов к одной скважине выгодно, но будьте бдительны. Выбор за вами.
Стоит ли игра свеч ↑
Рассмотрев несколько способов, как можно подключить два насоса к одной скважине, возникает логичный вопрос – насколько целесообразна данная затея. Одно дело, когда возникает необходимость дублировать уже работающее оборудование, и совсем другое – организовывать водоснабжение двух отдельных объектов с нуля.
Чтобы не возиться с двумя насосами, придумывая для них специальные крепления (для погружного оборудования), специалисты рекомендуют приобрести на два участка один мощных агрегат, а в каждом доме установить собственный гидроаккумулятор. При этом автоматику управления насосом можно реализовать таким образом, чтобы включение прибора осуществлялось с любого участка.
О том, можно ли в скважину опустить два насоса или лучше использовать общее оборудование с разными гидробаками, следует предварительно поинтересоваться у специалистов. А наиболее оптимальный вариант – изначально доверить все работы профессионалам и получить качественный результат на долгие годы.
</index>
ЗИМНИЙ ВАРИАНТ С УСТАНОВКОЙ МЕТАЛЛИЧЕСКОГО КЕССОНА
Кессон – это подземная металлоконструкция (камера), располагающаяся непосредственно над скважиной, приваривается герметично к обсадной трубе, и выполняет несколько функций:
- Защищает устье скважины от затопления и загрязнения паводковыми водами.
- Защищает систему от замерзания и даёт возможность эксплуатировать скважину круглогодично, а не только в тёплое время года.
- Даёт возможность разместить оборудование (аккумуляторный бак, блок управления и кабельно-трубную разводку) непосредственно над скважиной, при отсутствии специального помещения в доме.
- Обеспечивает удобный доступ к оборудованию для его ревизии, ремонта или сервисного обслуживания.
| При обустройстве скважины под ключ крышка горловины кессона выше земли минимум на 5 сантиметров. | При зимнем обустройстве скважины горловина кессона дополнительно утепляется. | При обустройстве скважины под ключ в кессоне устанавливается все водоподъемное оборудование. |
Подключение одного насоса от 2 источников
У нас с соседом одна скважина на двоих.Подскажите,как можно независимо друг от друга включать погружной насос?А если оба враз включим? Спасибо.
в любом случае одновремнно питание, даже с одной фазы давать нельзя
где (у кого) стоит управление насосом? исходя из ответа на этот вопрос бум смотреть далее
2Федор У нас это реализовано по-простому. В месте размещения насоса имеется моя розетка, которую я запитываю, когда надо. В нее включаю вилку кабеля насоса. Аналогично поступают еще три соседа.
АВР?
Организуйте из насоса и скважины — автоматическую станцию. Тогда не надо будет думать как включать насос — просто любой из соседей открывает кран, и получает долгожданную воду. Правда здесь встает другой вопрос — чье ликтричество будет кушать насос
Ну или соорудить схемку, которая будет блокировать подачу напруги от соседа, когда кто-то уже насос юзает. А заодно еще и электрические клапана на каждый отвод поставить — это чтобы сосед не юзал воду, выкачиваемую мной.
Релюха параллельная одному из выключателей (или 2 релюхи, так даже лучше параллельные выключателям) При включении насоса одним из соседей, одновременно разрывается линия ко второму соседу.
Источник статьи: http://mastergrad.com/forums/t11023-podklyuchenie-odnogo-nasosa-ot-2-istochnikov/





































