Стоит ли делать самому
Промышленные агрегаты – сложные устройства, созданные на высокоточном оборудовании. Повторить конструкцию в деталях и сделать идентичный аппарат своими руками нелегко, а иногда невозможно. Но собрать простой надежный котел получится при наличии соответствующих профессиональных навыков и инструментов.
Плюсы
Самостоятельная сборка аппарата сэкономит средства. В работе можно использовать любые доступные материалы.
Достоинства самодельной сборки:
- экономия денег;
- возможность сделать конструкцию с учетом особенностей помещения и всех возможных нюансов.

Самостоятельная сборка сэкономит ваши средства.
При наличии необходимого материала, небольшой собственной мастерской и свободного времени можно собрать отопительную систему, не уступающую заводской по техническим характеристикам.
Минусы самоделки
Создание устройств такого уровня сложности в домашних условиях может окончиться неудачей.
Недостатки самостоятельного изготовления котла:
- большой объем работы, связанный со сваркой металла;
- риск создания недоработанной или пожароопасной конструкции.
Перед сборкой необходимо трезво оценить собственные силы и возможности.
Основные разновидности самодельных котлов
Если вы собираетесь сделать котел долгого горения своими руками, то вам обязательно пригодится информация из нашего обзора. В последующих разделах мы расскажем, как самому сделать отопительный агрегат той или иной конструкции, дадим несколько наиболее легких схем, опубликуем информацию о наиболее распространенных котлах длительного горения
Давайте пока уделим внимание последнему вопросу
Пришла пора рассмотреть самые актуальные варианты котлов длительного горения, которые мы сможем собрать своими руками в домашних условиях. Все они будут питаться дровами. Что касается угля, то достать его сложнее, а еще он приводит к возникновению больших температурных нагрузок на отопительные агрегаты. В следующих разделах мы дадим чертежи твердотопливных котлов длительного горения и дадим объяснительную информацию.
Шахтный котел длительного горения
Мы можем изготовить самый простой шахтный котел своими руками. Он реализован по схеме с нижним горением. Основой агрегата является вместительная загрузочная камера, которую часто называют шахтой. Обладая вертикальной конструкцией, она позволяет вместить большое количество дров. По мере горения они проваливаются вниз, а продукты сгорания отправляются через колосниковую решетку в зольник.
Если мы взглянем на схему шахтной печи (котла), то мы обнаружим, что пламя у нас бушует вовсе не в шахте, а в соседней камере, откуда получаемое тепло поступает в жаротрубный теплообменник. А остатки тепловой энергии направляются в дымоход. Горение здесь длительное и определяется объемом шахты – загрузив сюда большое количество дров, можно смело отправляться спать.
Пиролизный котел
Давайте посмотрим, как устроен пиролизный котел и как сделать этот агрегат своими руками. Проще всего объяснить принцип работы этого агрегата на примере буржуйки. Здесь мы видим объемную камеру сгорания, которая реализует длительное горение. Получившиеся продукты сгорания отправляются в камеру дожигания, в которую подается вторичный воздух. В результате этого образуется большое количество тепла. Нам остается только дооснастить буржуйку жаротрубным теплообменником.
Существуют десятки чертежей котлов длительного горения на дровах, построенных на пиролизном принципе работы. Они отличаются расположением камер сгорания и дожигания, наличием и отсутствием дутьевых вентиляторов и автоматики, а также способами регулировки интенсивности процесса сжигания дровяного топлива. Но в целом их принцип работы одинаков.
Печи-котлы Бубафоня
Бубафоня представляет собой печь, а ее модификация – это водогрейный дровяной котел с подачей воздуха сверху, через прижимной поршень. Мы уже не раз писали о таких печах в наших обзорах, теперь настало время поговорить об агрегатах с отопительным контуром. Для реализации контура мы можем задействовать три схемы:
- Установить теплообменник на дымовую трубу – самый простой вариант;
- Соорудить вокруг корпуса котла сплошную водяную рубашку;
- Обварить корпус агрегата трубами, по которым будет циркулировать теплоноситель.
Какую схему выбрать – решать вам. Кстати, котлы Бубафоня, за счет вместительных камер, помогут реализовать длительное горение продолжительностью до 24 часов и даже больше.
Котлы длительного горения Бубафоня работают на дровах, в них реализована схема верхнего горения.
Котлы-печи Булерьян
Изначально Булерьяны были (и есть) печами конвекционного типа. Они оснащаются мощными конвекторами, позволяющими буквально за 20-25 минут прогреть помещение большого размера. Появившись изначально в Канаде, эти печи добрались и до России, которая тоже может похвастаться суровым климатом (действительно для некоторых регионов). Умельцы превратили печи в котлы, немного поработав над конструкцией конвекторов – теперь по ним циркулирует не воздух, а теплоноситель. Правда, котлы Булерьяны не могут похвастаться длительным горением, так как отличаются не самыми большими камерами сгорания. Некоторые из них обладают свойством гореть до 10-12 часов, некоторые – чуть дольше. Но рассчитывать на 24 часа все-таки не приходится. Зато они отличаются высокой эффективностью и способностью максимально быстро отдавать тепло в отопительные системы.
Инструменты и материалы для работы
Чтобы своими руками собрать котел, работающий на топливе твердого типа, нужно приготовить следующее:
- просеянный и обработанный песок из карьера или реки;
- стальные листы толщиной от 5 мм;
- листы из нержавеющей стали для термоаккумулятора и бытового дополнительного резервуара;
- уголок из железа;
- дроссельные печные заслонки;
- чугунная решетка;
- двери из металла для золы и бункера для топки;
- стальные трубы разного диаметра.
Чтобы приобрести строительные материалы по выгодной цене, лучше всего обратиться в компанию, которая занимается металлопрокатом, и может предоставить хорошую скидку.
Работа по сборке котла предусматривает сварку, поэтому полный перечень рабочих инструментов выглядит так:
- инверторный или другой сварочный аппарат, который можно применять дома;
- измерительные приборы, включая рулетку, строительный уровень и уголки;
- болгарка высокой мощности;
- электродрель со сверлами;
- пассатижи и щипцы.
Приступать к работе нужно лишь тогда, если вы имеете навыки работы со сварочными и прочими инструментами, которые потребуются при сборке котла.
Конструкция твердотопливного и пиролизного котла
Традиционный котел отопления для твердого топлива работает как обычная печка. Его собирают из двух стальных или чугунных емкостей вставленных одна в другую. Во внутренней (топка) сгорают дрова, в наружной (бак) нагревается вода. Конструкция состоит из следующих частей:
- топки с дверкой;
- колосников;
- зольника с дверкой;
- сборника сажи;
- дымохода;
- шиберной задвижки;
- патрубков для подключения подающего и обратного трубопроводов системы отопления;
- ножек;
- крышки для закрывания нагревательного бака.
Наружный воздух поступает в топку через зольник и колосники. Интенсивность горения регулируют величиной открытия дверцы. Тяга может быть естественной или принудительной. У правильно рассчитанного и сделанного котла отопления эффективность доходит до 79%.
Достоинства классических твердотопливных котлов:
- низкая стоимость топлива;
- для работы не требуется электроэнергия;
- универсальность по топливу;
- возможность сжигания отходов деревообработки.
Но при выборе этого вида котлов следует учитывать и недостатки:
- одной загрузки топлива хватает максимум на 6 часов;
- требуется место для складирования запаса топлива;
- загрузка выполняется вручную;
- сложность ухода, так как придется регулярно удалять продукты горения;
- горение твердого топлива инерционно, поэтому возникают сложности с регулированием.
Схема твердотопливного котла
Пиролизные котлы для отопления по принципу действия отличаются от классического варианта тем, что сгорает не только топливо, но и выделяемые из него газы. Конструкция состоит из следующих частей:
- камеры дожигания со встроенной форсункой;
- газифицирующей камеры;
- системы подачи воздуха;
- дымоходной системы с дроссельной заслонкой;
- теплообменника;
- системы циркуляции воды;
- датчика температуры и манометра;
- предохранительного клапана.
Для растопки котла газифицирующая камера наполняется дровами через верхнюю дверцу. После поджога растопки при открытом дросселе на дымоходе запускают вентилятор. Когда дрова разгорятся дверцу, и дроссель закрывают. Из-за снижения количества подаваемого воздуха древесина начинает тлеть при температуре достаточной для запуска пиролизной реакции. Выделяемые газы после прохода через форсунку смешиваются с вторичным воздухом в камере сжигания, воспламеняются, нагреваясь до температуры 1100⁰C, и направляются в теплообменник.
На котле без дымососа, перед добавлением дров открывают дроссель на дымоходе, ждут некоторое время, необходимое для удаления пиролизного газа. После закладки топлива, закрытия дверцы и дроссельной заслонки котел продолжает работать в штатном режиме.
По сравнению с обычными котлами отопления у пиролизных есть немало преимуществ:
- за счет полного сжигания нет необходимости в частой очистке зольника и газоходов;
- легкость управления интенсивностью горения;
- длительность работы без добавления топлива от 5 часов до нескольких суток;
- возможность сжигания не колотых дров;
- использование в качестве топлива обрезков от плит ДВП, ДСП, МДФ и фанеры;
- у пиролизных котлов отопления содержание вредных соединений в дыму в 3 раза меньше.
Однако недостатки тоже есть:
- Поскольку вентилятор или дымосос работают от электроэнергии, может потребоваться устройство бесперебойного питания.
- При использовании топлива с влажностью выше 20% снижается эффективность.
- При низких нагрузках возможны сбои, которые вызывают увеличение отложений дегтя в газоходах. Для нормализации работы котла устанавливают теплоаккумуляторы, в которые отводятся излишки тепла.
- Для предотвращения появления конденсата на стенках теплообменника, который ускоряет процесс коррозии, температура воды в обратной линии отопления должна быть не меньше 60⁰C.
- Ручная загрузка топлива.
- Из-за большой материалоемкости расходы в 2 раза больше чем на обычные котлы.
Установка самодельного котла и разгонная топка
Для установки отопительной системы может потребоваться специально оборудованное место. В жилых помещениях ставить такую конструкцию не рекомендуется: увеличивается опасность пожаров, утечек. Соответствующие службы могут наложить штраф. Очень часто самодельные агрегаты устанавливаются в теплицах, технических и рабочих помещениях.
При установке твердотопливного котла следует руководствоваться некоторыми требованиями:
- Расстояние от котла до стен должно быть более 25 сантиметров. Это минимизирует риск возгорания и улучшает воздухообмен в помещении.
- Желательно оборудовать под котлом собственный негорючий фундамент. Можно уложить асбестовую или бетонную плиту.
- В помещении с установленным пиролизным твердотопливным котлом должна быть качественная вентиляционная система. Постоянный приток свежего воздуха необходим для работы отопительной системы этого типа.
- Во избежание утечек и возгораний дымоход, через который уходит отработанный газ, должен быть заизолирован. В качестве изолирующего материала можно использовать обычную фольгу или минеральную вату.
Твердотопливный котёл может работать практически на любом топливе. Для разгонной топки следует использовать тот вид топлива, который планируется для постоянной загрузки. Топка заполняется полностью, до выходной трубы. Чтобы топливо лучше прогорало, можно брызнуть немного стандартной жидкости для розжига.
Котёл зажигается с помощью длинной щепы или лучины, через открытую заслонку. Пока не началось тление загруженного топлива, заслонку нельзя закрывать. Затем её можно прикрыть. Если скорости сгорания недостаточно для оптимальной работы отопительного устройства, заслонка приоткрывается для улучшения тяги. При первой топке загруженное твёрдое топливо должно целиком прогореть. О том, что началось стабильное тление, можно узнать по дыму, появившемуся из дымохода. В процессе сгорания отдельных слоёв топлива труба воздухораспределителя будет опускаться, по ней также можно определить скорость тления.
Самостоятельное изготовление котла длительного горения — это реальность, которая доступна каждому вне зависимости от того, новичок вы в его изготовлении или нет. Главное, не забывать о пожарной безопасности: ведь каждый отопительный прибор — потенциально опасное устройство. опубликовано econet.ru
Определение с параметрами проекта
Точного определения данному понятию нет. Соответствующее оборудование появилось, как ответ на требования потребителей повысить уровень комфорта в процессе эксплуатации, увеличить выработку тепла в расчете на единицу использованных энергетических ресурсов.
Основным недостатком классических котлов является необходимость регулярного добавления топлива в топку. Сложности создают также следующие факторы:
- высокая интенсивность горения;
- сложность оперативной регулировки и контроля этого процесса;
- неполное использование тепла, которое удаляется вместе с дымом через систему вентиляции.

Для поддержания работы обычного котла лучше иметь рядом достаточный запас дров
Разные конструкции
Для решения отмеченных выше задач используют различные решения. Чтобы не закладывать часто новые порции топлива увеличивают размеры топки. Сделать процесс горения равномерным помогает размещение сверху прижимного устройства, дозированная подача воздуха.

Схема типичного котла этого класса
Создать чертежи твердотопливных котлов длительного горения своими руками будет проще после подробного изучения стандартной конструкции:
- В начальном положении прижимное устройство (10) находится в верхнем положении.
- Через дверцу (6) в топку загружают крупную партию дров.
- После поджигания происходит регулируемый механическим приводом (16) процесс горения.
- Свежий воздух подается нагнетателем через телескопическую полую внутри штангу. Он распределяется равномерно через прижимной диск (10).
- Подача кислорода сверху обеспечивает постепенное сгорание топлива, слоями.
- Золу после завершения цикла удаляют через нижнюю дверцу (13).
- Для поднятия диска (10) в верхнее положение используют лебедку (2) с электроприводом.
Недостатком данной конструкции является невозможность произвольной закладки дров в топку. Существенное преимущество – повышенная до 24 часов и более длительность одного рабочего цикла.
В следующей конструкции топливо можно подкладывать по мере необходимости. Здесь использована технология пиролиза. Она характерна дозированной подачей кислорода и низкой интенсивностью горения. Тлеющие дрова выделяют горючий газ. Он сгорает в дополнительной камере.

Пиролизный котел
Эта установка полноценно использует топливо. В продуктах сгорания содержится минимальное количество сажи. Сложной является оптимальная регулировка рабочих процессов.
Газовые и дизельные агрегаты лишены упомянутых недостатков по причине простоты дозирования соответствующих видов топлива. Подобный результат можно получить, если использовать специальным образом спрессованные гранулы из отходов деревообработки, шелухи семечек, иного горючего сырья.

Пеллетный котел
В данном варианте гранулы (пеллеты) засыпают в бункер, откуда они подаются шнековым механизмом в топку. Понятно, что такая конструкция позволяет при необходимости быстро увеличивать и уменьшать подачу топлива. Гибкое изменение производительности котла пригодится для оптимизации работы при изменении внешней температуры, подключении дополнительных потребителей. С гранулами не слишком сложно работать при транспортировке, хранении.

Теплообменник для подогрева воды
Повышают эффективность котлов с помощью сложных структур выходных узлов. В таких конструкциях повышается температура теплоносителя. Аналогичные функции выполняют полые стенки корпуса.
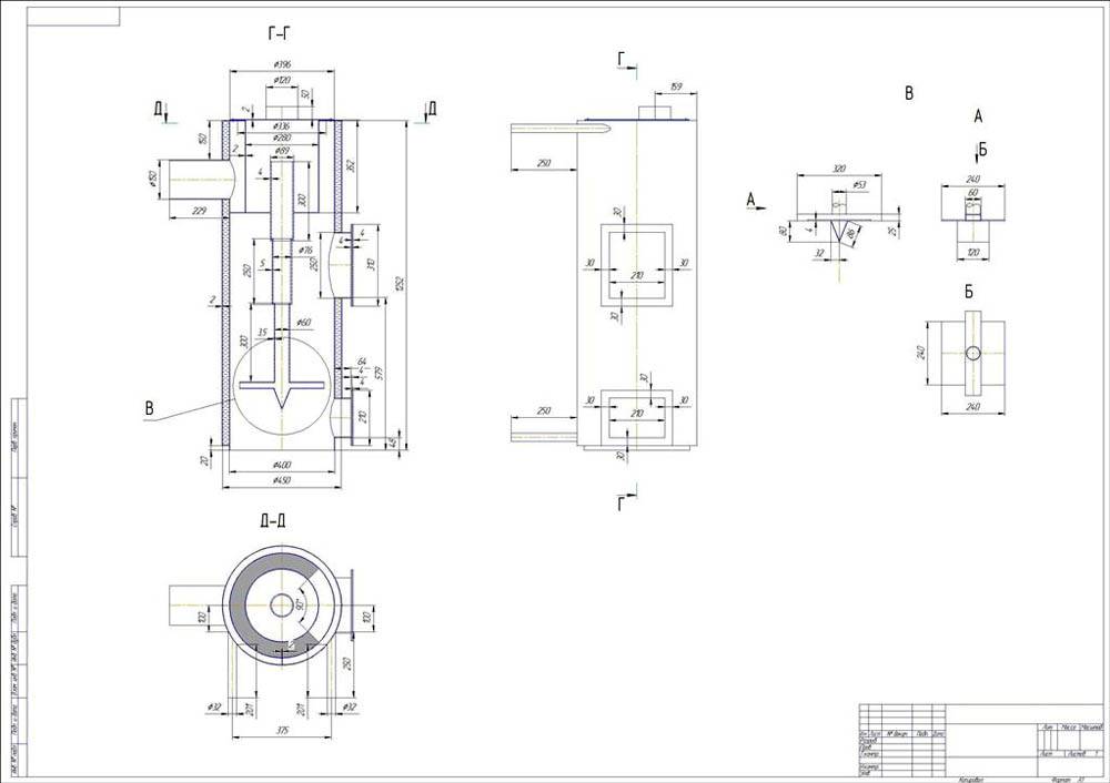
Чертежи твердотопливных котлов длительного горения своими руками
Прежде чем искать соответствующую документацию, необходимо точнее определиться с конструкцией. Предпочтительной является первая схема твердотопливного котла длительного горения, своими руками ее будет создать проще.

Принципиальная схема котла
Для отопления сравнительно небольшого частного дома с общей площадью 150-250 м. кв. достаточно будет следующих размеров:

Чертежи твердотопливных котлов длительного горения своими руками
При высоте чуть более 1,5 метра и ширине около 40 см не сложно будет найти подходящее место для установки. Но надо учитывать необходимость создания технологических проходов для обслуживания. Понадобится свободное пространство сверху для монтажа лебедки и другого оборудования.

Конструкторскую документацию можно создать без соблюдения стандартов
Для реализации частных проектов не обязательно соблюдению ГОСТов. Но чем подробнее получился чертеж твердотопливного котла длительного горения своими руками, тем проще будет исключить ошибки на ранних стадиях.

При удалении большого количества ржавчины перед окраской может понадобиться респиратор
Простой котел длительного горения чертеж
На рис. 1 представлен чертеж простого котла с нижним расположением топки. Для изготовления прямоугольного корпуса и теплообменника используется листовая низкоуглеродистая сталь. Теплообменник устроен по типу «водяной рубашки». Коэффициент теплоотдачи (КПД) увеличен за счет конструкции выступов внутри котла, отражающих пламя и нагревающийся газ.
Рис. 1 Котел с «водяной рубашкой»
На рис. 2 представлен комбинированный теплообменник типа «водяной рубашки» (2), образующейся вокруг камеры сгорания плюс щелевой регистр (3) из стального листа. Продукты горения выходят через дымовой патрубок (1). Твердое топливо (5) сгорает в нижней части камеры. Под ней находится регулятор подачи воздуха (8).
Рис. 2 Котел с щелевым регистром
Котел с верхним горением
Чертеж камеры представлен на рис.3. Котел в форме цилиндра выполняется из разных по диаметру труб. Воздух подается через движущуюся трубу, которая выдвигается вверх для освобождения топливника, когда необходимо загрузить топливо. При сжигании оно начинает уменьшаться в объеме и вместе с ним труба также опускается плавно вниз под тяжестью своего веса. Равномерная подача топлива достигается с помощью диска, приваренного к основанию трубы.
Теплообменник выполнен по типу «водяной рубашки», обволакивающей камеру сгорания. Прогрев воздуха происходит в верхней части котла.
Рис. 3. Котел с верхним горением
Принцип работы
Физическая составляющая процесса работы самодельных котлов на твердом топливе очень проста.
- Производится загрузка топлива в топку, где оно поджигается.
- Угарные газы, полученные при сгорании твердого топлива, и горячий воздух поднимаются вверх и выходят через дымоход на улицу.
- При движении вверх они проходят через специальную камеру, где располагается теплообменник. Через него происходит нагрев теплоносителя, поступающего в систему отопления дома.
Как видите, все довольно-таки просто. Хотя надо отметить, что этот принцип работы самодельных котлов на дровах, торфе, опилках и угле полностью соответствует и другим типам отопительных приборов, работающих на других видах топлива. Соответственно и конструкция их мало чем отличаются друг от друга. Конечно, есть определенные конструктивные нюансы. К примеру, твердотопливные котлы – это агрегаты с низким коэффициентом полезного действия. «Едят» они топливо в больших количествах, выделяя при этом огромное количество тепловой энергии, большая часть которой, к сожалению, вылетает в трубу. Поэтому сегодня, говоря о самодельных котлах отопления на дровах, необходимо говорить о современных моделях с более высоким КПД. Их и будем разбирать в этой статье.
Котел на дровах цилиндрического типа
Но перед тем как перейти к основному сборочному процессу, хотелось бы несколько слов сказать об условиях реализации данного проекта.
- Надежность конструкции котла будет зависеть от того, как вы владеете используемым в этом деле инструментом. Основной из них – это сварочный аппарат. Если ваши навыки не позволяют добиться максимального результат, то лучше от эксперимента отказаться и передать сборку агрегата специалисту, то есть высококвалифицированному сварщику.
- Говоря об эксперименте, а сборка котла на дровах своими руками – это большой эксперимент, надо отдать должное, что вы можете применить все свои инженерные знания и опыт. И в случае удачно проведенного процесса гордиться им. Но не забываем, что самодельный котел потребует доработки в процессе его эксплуатации. Некоторые незначительные неточности и ошибки дадут о себе знать обязательно. Так что к ним надо просто быть готовым.
- Для изготовления твердотопливного котла используются металлические листы или труба толщиною не меньше 5 мм. Это же относится к трубным элементам теплообменника.
- Установка настроечных приборов. Немаловажный момент в деле изготовления самодельного котла. Что именно надо установить: термометры на входе и выходе теплоносителя, регулятор мощности циркуляционного насоса, датчик тяги.
- Кстати, о циркуляционном насосе. Не все потребители устанавливают это оборудование, которое привязывает систему отопления дома к электроэнергии. Но, как показывает практика, именно этот агрегат дает возможность увеличить КПД котла, равномерно распределяя теплоноситель по всей отопительной системе, и внутри теплообменника в том числе.
Компактная конструкция
Виды печей длительного горения. Выбираем простой и производительный отопительный агрегат для изготовления своими руками
Речь о разновидностях печей длительного горения зашла из-за необходимости определиться с конструкцией, наиболее пригодной для изготовления своими руками. Поэтому рассмотрим все варианты твердотопливных котлов новой генерации, а также изучим особенности их работы.
При классификации отопительных печей по способу сжигания выделяют несколько основных схем.
1. Традиционная конструкция с распространением пламени снизу вверх, при котором горящие газы проходят через весь слой топлива и выводятся в дымоход. На пути продуктов сгорания обустраивают теплообменник и камеру дожига, в которую подаётся дополнительное количество воздуха. К отопительному оборудованию этого типа относятся известные на весь мир булерьян или бренеран, печь профессора Бутакова и вариации этих агрегатов с изменёнными теплообменниками.
Булерьян представляет собой котёл длительного горения с воздушным теплообменником
2. Шахтная печь, в которой зона горения смещается к колосниковой решётке, а продукты сгорания отводятся через соседнюю камеру, где происходит дожиг и теплообмен. Подобная конфигурация чрезвычайно удобна для изготовления отопительного агрегата из кирпича, чему способствует многовековой опыт строительства дровяных печей с воздушными каналами (печь с грубой).
Схема твердотопливного котла шахтного типа
3. Агрегаты верхнего горения, в которых поджигается верхушка топливной закладки, а пламя направляется вниз. По мере прогорания требуется подача воздуха под слой золы, поэтому такая конструкция требует специальных решений для доставки кислорода в зону горения. Простота этой печи и эффективность её работы способствовала появлению множества вариантов, доступных для повторения в домашних условиях. Причём материалом для изготовления такого отопительного агрегата может выступать как обычная металлическая бочка, так и бытовой газовый баллон. Хотелось бы особо выделить известную в Сети конструкцию «долгоиграющей» буржуйки под названием Бубафоня — модификацию литовского котла «Stropuva», чрезвычайно популярную у домашних умельцев.
В котлах «Stropuva» длительный режим работы возможен благодаря горению верхнего слоя топлива
4. Печи, работающие в режиме газогенераторного или пиролизного сжигания топлива. Дрова горят при высокой температуре и недостатке кислорода, что способствует выделению большого количества горючих газов. Летучие соединения, полученные в результате так называемой сухой перегонки, дожигают в отдельной камере, куда подают вторичную порцию воздуха. Эта схема является самой сложной в конструктивном отношении, но по части эффективности и удобства эксплуатации ей нет равных.
Пиролизный котёл представляет собой довольно сложную конструкцию, поэтому его изготовление в домашних условиях сопряжено с наибольшими трудностями
Если говорить о других особенностях печей длительного горения, то они бывают квадратными или круглыми, а изготавливаться могут как из металла, так и из кирпича.
При выборе схемы и конструкции печи длительного горения необходимо учитывать не только преимущества и эффективность существующих вариантов, но и возможность повторения той или иной конструкции в домашних условиях. Например, изготовление булерьяна или печи Бутакова нельзя представить без использования мощного трубогибочного станка. Ввиду сложной конфигурации оборудования потребуется немалый опыт сварочных работ и дополнительные затраты на покупку толстой листовой стали и труб большого диаметра. Строительство пиролизного котла, кроме финансовых вложений и мастерства сварщика, предъявляет требования к точности расчётов и знаниям всех нюансов сухой перегонки дров. Что же касается агрегатов верхнего горения, то именно они являются идеальным вариантом в качестве первой конструкции, изготовленной своими руками. Во-первых, не потребуется практически никаких затрат, а во-вторых, устройство типа «Stropuva» или Бубафони простит все просчёты и несовершенство сварных швов. Её конструкция настолько работоспособна, что не даст разочароваться в своих силах даже начинающему домашнему мастеру.





































