Расширительный бачок
Рассматриваемый тип отопительных систем в обязательном порядке должен оборудоваться расширительным баком. Как правило, используются мембранные бачки закрытого типа, которые устанавливаются прямо за котлом на трубе обратки.
Важнейшим параметром расширительного бака является объем, который нужно рассчитать перед тем, как провести отопление в одноэтажном доме. Все дело в физических процессах, происходящих внутри системы с принудительной циркуляцией. Разогретая вода увеличивается в объеме, вследствие чего повышается давление в трубопроводе. Наличие подходящего бака позволяет принять излишки теплоносителя, тем самым нивелируя их воздействие на элементы конструкции.

Объем бака рассчитывается по формуле:
- V = e x C / (1 — Po/Pmax) x k,
- Где e – коэффициент температурного расширения теплоносителя,
- Po – величина давления в пустом баке,
- C – суммарный объем теплоносителя в системе,
- Pmax – максимальное давление в контуре,
- k – коэффициент заполнения бака.
Особенности подключения
Способы подсоединения радиаторов
При устройстве отопительных систем в частных домах применяют следующие способы подсоединения:
В этом случае подающая труба подключается сверху, а обратка – снизу к той же секции.Данная схема подключения батареи отопления позволяет радиатору равномерно нагреваться. Однако, если гармошка обладает большим количеством секций, то возникнут значительные теплопотери, соответственно лучше использовать другие варианты подключения.
Седельное и нижнее
Такой способ является отличным вариантом для тех случаев, когда трубы проходят в полу. Соединение осуществляется к патрубкам, расположенным внизу конструкции, в противоположных секциях. Недостатком данного способа является лишь низкая эффективность, так как теплопотери могут достигать 15 процентов.
Применяется при подсоединении приборов с большим количеством секций. Как несложно догадаться, подводящая труба в этом случае подключается сверху, а отводящая – снизу, в противоположной секции. Данная схема подключения батарей отопления в частном доме способствует равномерному распределению теплоносителя и максимальной теплоотдаче от приборов.
Обратите внимание! При использовании терморегулятора для отопления параллельно радиатору необходимо выполнить байпас. Это позволит регулировать степень нагрева прибора
Схема подключения радиаторов
Как мы видим, способы подключения батарей отопления зависят от ряда факторов, таких как способ прокладки труб, мощность оборудования и пр. В частности большое значение имеет вид системы. Детальней о видах отопительных систем поговорим ниже.
Схема однотрубной системы
Виды системы
При устройстве отопительных систем применяют две схемы:
- Однотрубную – является наиболее простой, так как теплоноситель циркулирует по одной трубе, к которой последовательно подсоединены отопительные приборы. Ее недостатком является то, что она не позволяет регулировать подачу тепла. Поэтому теплоотдача соответствует проектной норме, заложенной при проектировании. Такая схема применяется в небольших системах, так как при большой протяжности трубопровода и большом количестве радиаторов, приборы будут нагреваться неравномерно.
- Двутрубную — смысл ее заключается в том, что горячая вода течет по одной трубе, а остывшая возвращается в котел по другой. Подключение батарей отопления в частном доме в этом случае осуществляется, соответственно, параллельно. Достоинством такого устройства является равномерный нагрев секций, а также возможность регулировки теплоотдачи. Из недостатков можно выделить лишь потребность в большем количестве труб, соответственно стоимость конструкции возрастает.
Схема двутрубной системы
Следует отметить, что вне зависимости от типа системы, подключение батарей отопления своими руками можно реализовать двумя способами:
- По вертикальной схеме – нагревательный прибор соединяется с вертикальным стояком, от которого выполняется разводка к радиаторам.
- По горизонтальной схеме – циркуляция теплоносителя осуществляется по горизонтальным трубопроводам.
Выбор схемы подключения батарей отопления зависит от особенностей дома. К примеру, если жилье содержит несколько этажей, то соединение реализуется по вертикальной схеме.
На фото — расположенный под окном радиатор
Методы обвязки
Чтобы смонтировать обвязку батареи в частном доме или городской квартире, потребуются:
- запорная арматура, в качестве которой чаще всего используются простейшие шаровые краны;
- заглушки для перекрытия оставшихся каналов;
- краны Маевского, позволяющие спустить воздух из системы при сезонном запуске оборудования;
Устройство для удаления воздуха из системы отопления
герметизирующий материал.
Дополнительно на любой радиатор отопления можно установить:
- манометр, определяющий давление в системе (чаще всего применяется при монтаже оборудования в автономных загородных домах);
- терморегулятор, работающий в ручном или автоматическом режиме. При помощи данного оборудования можно устанавливать определенную температуру любого отдельного радиатора.
Устройство для установки определенного режима работы батареи
Если проводится обвязка полипропиленом, то дополнительно потребуется сварочное оборудование.
Прибор для сварки полипропиленовых труб
Итак, в зависимости от представленных выше факторов обвязка радиатора отопления может быть выполнена по следующим схемам:
- для бокового подключения;
- для диагонального подключения;
- для нижнего подключения.
Обвязка бокового соединения
При боковом способе подключения и однотрубной системе монтаж обвязки выполняется так:
- на вводящий и выводящий патрубки устанавливаются шаровые краны, позволяющие перекрыть подачу теплоносителя для выполнения ремонтных или профилактических работ;
- краны соединяются с тройниками;
- в оставшиеся отводы тройников вставляется отрез трубы, выполняющий роль байпаса.
Байпас необходим для автономного перекрытия отдельного радиатора, например, для ремонта, без отключения всей системы отопления.
При боковом соединении с двухтрубной системой работа выполняется в аналогичном порядке. Однако установка байпаса в данной ситуации не требуется.
Схемы обвязки при выборе бокового способа подключения батареи
Обвязка диагонального соединения
Соединение радиатора с трубами при диагональном подключении следующее:
- входящий патрубок соединяется с отрезом трубы, длиной не более 10 см – 15 см;
- далее устанавливаются шаровый кран и тройник для присоединения байпаса;
- выводящий патрубок соединяется с угольником и только после этого присоединяется к отводящему теплоноситель трубопроводу;
- перед соединением с центральной магистралью устанавливается кран.
При подключении к двухтрубной системе работа выполняется аналогично за исключением байпаса.
Схема обвязки батареи при выборе диагонального способа подключения
Обвязка нижнего соединения
Выполнить обвязку нижнего способа подключения проще всех остальных:
- к входу и выходу из радиатора присоединяются запорные краны;
- отводы труб вводятся в центральные магистрали. При необходимости в местах перегиба устанавливаются специальные переходники – уголки или тройники.
Схема обвязки радиатора с нижним способом подключения
Отдельный нюанс есть при обвязке нижнего соединения при подключении к однотрубной системе. В большинстве случаев подключение производится как показано на рисунке, то есть без байпаса, позволяющего автономное отключение отопительного прибора. Но при желании пользования устройство можно установить. Для этого между сгонами входящего и выводящего патрубков устанавливается дополнительный отрез трубы.
Обвязка нижнего соединения с применением байпаса
Подробному описанию видов обвязки батарей в системе отопления посвящено следующее видео.
Таким образом, при правильном выборе способа подключения и корректном монтаже отопительная система будет служить длительное время, равномерно прогревая все помещения.
Плюсы и минусы системы
К достоинствам «ленинградки» можно отнести:
- Простоту. Несмотря на некоторые усложнения по сравнению с традиционной однотрубной системой, «ленинградка» очень проста. Ее монтаж под силу даже тому, кто не обладает специфическими знаниями и навыками в соответствующей области.
- Экономность. На «ленинградку» тратится на 20 % — 30 % материала меньше. Но тут сразу нужно оговориться – преимущество актуально только в сравнении с двухтрубной системой. Если брать однотрубную, то она окажется даже несколько экономичнее (из-за того, что батареи подключаются последовательно и к ним не делают отводы).
- Возможность тонкой настройки. Если установить на каждый байпас по игольчатому регулятору, появляется возможность регулировать температуру отдельно взятой батареи.
- Простота обслуживания. Если речь идет о традиционной однотрубной системе, для замены батареи ее придется полностью освобождать от воды. В случае с «ленинградкой» это не нужно – достаточно перекрыть байпас. Вода продолжит циркулировать по нижнему контуру. Правда, чтобы появилась такая возможность, нужно оборудовать байпасы кранами.

Мнение эксперта
Гребнев Вадим Савельевич
Монтажник отопительных систем
Еще один плюс – универсальность. «Ленинградку» можно реализовать где угодно: в дачном домике, одно- или двухэтажном коттедже. И даже в городской квартире.
Впрочем, у системы есть и недостатки. Вот основные:
- Неравномерность нагрева радиаторов. Проблему не решает даже игольчатый кран в байпасе. Правда, возникает она не при всех видах подключения. Но об этом – чуть позже.
- Невозможность подключения дополнительного нагревательного оборудования. Например, теплого пола. Но это не недостаток исключительно «ленинградки» — минус характерен для любого однотрубного отопления.
- Необходимость применения труб большого диаметра. Минимальный должен составлять не меньше 2,5 см. Если взять меньше, будет сложно подобрать подходящие байпасы для радиаторов. Из-за этого нередко происходит падение давление в системе. В результате вода не может нормально циркулировать. Проблему решают установкой патрубков меньшего диаметра, которые создают нужный напор.
Особенности однотрубной системы обогрева
Однотрубная система обогрева приобрела широкую популярность в частном строительстве благодаря следующим достоинствам:
- Гидравлическая устойчивость – замена радиатора, наращивание секций, отключение отдельных контуров не изменяет теплоотдачу других элементов системы;
- Минимальное количество труб;
- Меньшее количество теплоносителя в системе снижает ее инерционность и время прогрева помещения;
- Эстетичный внешний вид, особенно при устройстве скрытой магистрали;
- Несложный монтаж;
- При использовании современной запорной арматуры возможно точное регулирование режима работы всей системы и отдельных элементов;
- Последовательное подключение обогревающих приборов позволяет устраивать водяной теплый пол, монтировать полотенцесушители и т.д.
- Недорогая установка и эксплуатация.

Основной недостаток однотрубного теплообеспечения – дисбаланс нагрева приборов по длине магистрали. Чем дальше находится радиатор от котла, тем меньше он нагревается. Под действием насоса прогрев радиаторов осуществляется более равномерно, однако остывание теплоносителя все же наблюдается, особенно при достаточной длине трубопровода. Отрицательное действие этого явления снижают двумя способами:
- Увеличивают количество секций последних радиаторов, за счет чего увеличивается их мощность и количество отдаваемого в помещение тепла – достигается равномерный прогрев помещений;
- Рационально проектируют прохождение магистрали по комнатам – начинают со спален, детских и «холодных» комнат (угловых, с окнами на север), затем идут гостиная, кухня, ванная, туалет и заканчивают подсобными помещениями.
Основные способы подключения
Независимо от вида материала (чугун, сталь, алюминий, биметалл) и типа используемой системы обогрева (с естественной или принудительной циркуляцией, однотрубной или двухтрубной), существует несколько основных схем их подключения. Каждая из этих схем имеет свои особенности и может применяться в зависимости от конкретных условий.
Типы подключения радиаторов отопления:
- диагональное;
- боковое;
- нижнее.
Рассмотрим более подробно их особенности, преимущества и недостатки.
Диагональное (поперечное)
При диагональной схеме подающая труба подключается к одному из верхних патрубков радиатора, а отводящая труба – к одному из нижних, расположенных с противоположной стороны прибора. В результате поступающий нагретый теплоноситель равномерно распределяется по всему объему внутренней поверхности радиатора, обеспечивая максимальную теплоотдачу.
При этом теплопотери не превышают 2%.
Фото диагональной схемы подключения
Считается, что такая схема обеспечивает наиболее эффективную работу батареи. Номинальная мощность устройства, указанная производителем в паспорте изделия, привязывается именно к диагональному типу подключения.
Наиболее востребована такая схема при большом количестве секций радиатора (больше 10-12), что обеспечивает равномерный прогрев всей площади прибора.
К недостаткам относится:
- дополнительный расход труб;
- сложность и неудобство монтажа;
- неэстетичный внешний вид.
В многоэтажных домах эта схема практически не используется.
Боковое (одностороннее)
Подающая труба подсоединяется к верхнему патрубку прибора, а отводящая труба – к нижнему патрубку на той же стороне, т.е. обе трубы подключаются к одной из крайних секций радиатора.
Это обеспечивает достаточно эффективный и равномерный нагрев всех секций при небольших тепловых потерях (до 2-5%).
Боковая схема подключения является самой распространенной, в том числе в многоэтажных домах с центральной системой отопления, за счет минимального расхода материалов и удобства монтажа при достаточно высокой теплоотдаче приборов.
Наибольший эффект достигается при подключении батарей с 10-15 секциями, а также в многоквартирных жилых домах с параллельным подключением обогревателей.
При увеличении количества секций тепловая эффективность резко снижается за счет неравномерного прогрева другой стороны радиатора.
Боковое подключение батареи
В процессе однотрубного подключения в схему обычно включается дополнительный элемент – перемычка (байпас) в виде отрезка трубы меньшего диаметра, чем подающая и отводящая труба. Он устанавливается между этими трубами в непосредственной близости от радиатора.
Байпас регулирует подачу теплоносителя и обеспечивает возможность отключения прибора, если произошла поломка (засорение, течь и пр.) без прекращения работоспособности всей системы отопления.
Нижнее (седельное или вертикальное)
Нижнюю схему подключения радиаторов отопления называют «ленинградкой.
Поводящая труба присоединится к одному из нижних патрубков, а отводящая труба – ко второму нижнему патрубку с противоположной стороны.
При таком варианте подключения верхняя и нижняя часть прибора может прогреваться неравномерно, а теплопотери могут составить до 15%. Однако это чаще характерно для систем в многоквартирных домах с большим числом приборов отопления и большой длиной труб. Для автономных систем частных домов такие теплопотери практически не заметны.
Седельная схема
Наиболее часто седельная схема используется для частных одноэтажных домов, когда трубы проложены под полом или спрятаны внутри него.
Это позволяет значительно улучшить внешний дизайн радиатора, сделав трубы практически незаметными.
Отдельной разновидностью нижней схемы является вертикальное подключение, которое применяется для отдельных видов отопительных приборов особой конструкции (панельные стальные и алюминиевые радиаторы с нижней подводкой).
Вертикальная схема для радиаторов с нижней подводкой
У таких радиаторов патрубки подключения подводящей и отводящей труб располагаются рядом в нижней части прибора. Для соединения используется специальный запорно-присоединительный узел.
- Преимущества: экономия материалов и улучшенный дизайн за счет незаметности подключаемых трубопроводов.
- Недостатки: неравномерный прогрев и снижение эффективности теплоотдачи.
Однотрубная система отопления
Однотрубная система отопления схема
При однотрубной системе отопления теплоноситель поступает в радиатор, проходит по нему и возвращается вновь в ту же трубу. При этом температура теплоносителя постепенно снижается при движении от одного прибора отопления к другому. В результате первый радиатор является самым нагретым и работает с полной теплоотдачей. Для обеспечения расчетной мощности отопления второй радиатор должен быть большей мощности, а третий прибор отопления еще более мощным.
В частных домах трудно точно рассчитать требуемую мощность приборов отопления при подключении их к однотрубной системе. Как правило, подбор радиаторов происходит «на глазок», что приводит к неравномерному прогреву помещения: в одной комнате, близкой к котлу будет жарко, а в другой, напротив, холодно.
Остается добавить, что реальной экономии на трубах при монтаже однотрубной системы отопления также не удается получить.
Типы отопительных котлов
Центральным элементом отопительной системы является котел – отопительное устройство, в котором теплоноситель достигает нужной температуры. Схема подключения отопления в частном доме во многом зависит от того, какой именно котел в ней используется.
По назначению котлы делятся на двухконтурные и одноконтурные. Первый вариант – это оборудование, предназначенное и для отопления, и для нагрева воды. Одноконтурный котел греет только теплоноситель для отопления. По способу установки они делятся на напольные и настенные.
Различаются котлы и по виду топлива, при помощи которого обогревается теплоноситель. Существуют котлы следующих видов:
- газовые;
- электрические;
- твердотопливные;
- жидкотопливные;
- комбинированные.
Для работы твердотопливных котлов используется уголь, дрова, реже торф и другие варианты твердых горючих материалов. В качестве жидкого топлива для котлов соответствующего типа применяется дизель или отработанные масла.

Твердотопливный водяной котел в частном доме Источник otoplenie-gid.ru
Большинство загородных коттеджей отапливается газовыми котлами. В не газифицированных местностях часто используется обогрев при помощи электричества. Полностью независимыми от коммуникационных сетей являются котлы твердотопливные и жидкотопливные. Первый вариант более привлекателен тем, что для него нужны традиционные дрова и уголь, а не опасные горючие жидкости.
Самые предусмотрительные домовладельцы устанавливают в своих домах комбинированные котлы, предназначенные для работы на разных видах топлива. Например, можно установить электрокотел, дополненные камерой сгорания для твердого топлива, чтобы в случае повреждения электросети перейти на дровяное отопление.
Двухконтурные котлы, обеспечивающие жилище теплом и теплой водой, это преимущественно газовые устройства. Они универсальны, так как избавляют домовладельцев от необходимости покупать и устанавливать отдельно водонагревательный бойлер.

Схема двухконтурного отопления в доме Источник pikucha.ru
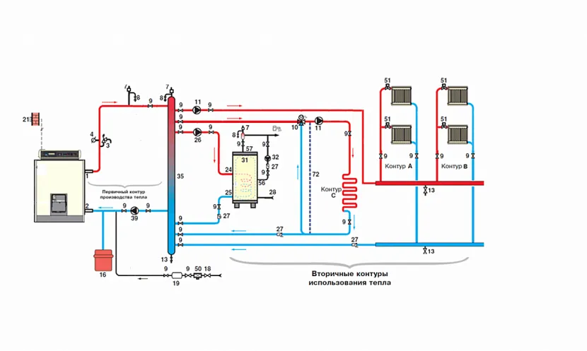
Коллекторная схема системы отопления
Коллекторная схема системы отопления
При коллекторной схеме отопления теплоноситель от котла поступает вначале в распределительный коллектор, а затем от него к радиаторам. При этом к каждому прибору отопления идет труба подачи и труба обратки.
Для эффективной работы такой системы отопления важным условием является равные длины труб к каждому радиатору. Достичь этого можно только при расположении коллектора в центре отапливаемого дома, что удается далеко не всегда.
Если создать систему отопления с равными длинами труб к каждому прибору отопления не удается, приходится балансировать систему , создавая искусственно препятствия для движения теплоносителя (открывая и придавливая запорную арматуру), что приводит к необходимости использования более мощного циркуляционного насоса и может стать причиной неравномерного прогрева помещений.
Вариант — конвекционное и внутрипольное отопление
Устройство
В одном отопительном контуре одновременно или поочередно работают радиаторы и теплый пол. Такая схема работы может быть реализована двумя способами:
| Схема | Описание |
| Теплый пол запитан от обратки радиаторов. При этом температура обратки на выходе из высокотемпературного контура не должна быть выше 40 градусов, а котел должен иметь возможность работать при температуре обратного трубопровода около 30 °С. Из современных котлов на это способен только газовый конденсационный. Очевидный недостаток такой схемы — невозможность независимой работы контуров: если отключить радиаторы, то температура теплоносителя будет слишком высокой для теплого пола, а без внутрипольного контура вырастет до неприемлемых для котла значений температура обратки на его входе. | |
| Теплый пол подключен независимо от радиаторов через трехходовой смеситель. В зависимости от температуры на выходе внутрипольного контура смесительный клапан открывается или закрывается, увеличивая или уменьшая количество горячего теплоносителя с подачи в контуре с рециркуляцией. Рециркуляцию теплоносителя в низкотемпературном контуре обеспечивает собственный циркуляционный насос. Схема работает с любым котлом, контуры радиаторов и теплого пола могут включаться и отключаться независимо друг от друга. |
Какие материалы стоит предпочесть при монтаже такой системы своими руками?
Трубы:
Для радиаторного отопления — недорогой полипропилен с армированием алюминием. Температура в автономном контуре не поднимается выше 80 °С, а давление — выше 2,5 кгс/см2, что с запасом перекрывается допустимыми для полипропиленовых труб эксплуатационными параметрами.Армирование уменьшает удлинение трубопроводов при нагреве: у неармированного полипропилена оно равно 6,5 мм/погонный метр при нагреве на 50 градусов, у армированного алюминиевой фольгой — 1,5 мм;
При нагреве жестко закрепленные неармированные трубы из полипропилена пойдут волной вследствие удлинения.
Для контура теплого пола — сшитый или термомодифицированный полиэтилен. Трубы поставляются в бухтах длиной до 200 метров; это позволяет вывести все соединения за пределы стяжки.
Укладка труб водяного теплого пола в стяжку. Для внутрипольного отопления используется труба из термомодифицированного полиэтилена pe-rt.
Радиаторы: алюминиевые секционные. Инструкция связана с тем, что они сочетают высокую теплоотдачу (до 210 ватт на секцию) с низкой стоимостью (от 240 рублей/секция).
Алюминиевый радиатор обеспечит оптимальный баланс цены и теплоотдачи.
Преимущества
Недостаток радиаторного отопления — в нерациональном распределении температур в отапливаемом объеме. Воздух под потолком на несколько градусов теплее, чем над полом. Но пространство под потолком — необитаемое, и его нагрев дает лишь увеличение теплопотерь через потолок и верх стен.
теплый пол экономичнее: он греет комнату снизу; по мере приближения к потолку температура падает. Снижение средней температуры в отапливаемом объеме приводит к уменьшению суммарных теплопотерь.
Температура воздуха в отапливаемом помещении при конвекционном и внутрипольном отоплении.
Недостаток теплого пола — в том, что его температура ограничена значением +35-+40°С. При фиксированной площади теплообмена и ограничении температуры теплоотдача тоже ограничена, и при больших теплопотерях она может оказаться недостаточной.
Дефицит тепла помогут восполнить радиаторы. В автономном контуре они могут нагреваться до 75-80 градусов и за счет большей разницы температур с воздухом отдавать куда больше тепла, чем теплый пол с той же площадью поверхности.
Сборка секционных батарей отопления
Секционные приборы обогрева помещений удобны тем, что их можно собирать из любого расчётного количества регистров. Можно добавлять или демонтировать секции тем самым, корректируя теплоотдачу прибора. В случае выхода из строя секции её можно убрать, заменив новым регистром. Сборку секционных приборов отопления производят следующим образом.
- Для сборки секционной батареи понадобятся фитинги внешней резьбой (ниппели), заглушка, два запорных шаровых крана и кран Маевского. Процесс сборки секций происходит следующим образом.
- На рабочем столе или поддоне укладывают, собранную в заводских условиях, батарею, к которой нужно подсоединить дополнительные секции.
- На два ниппеля (фитинга) одевают паронитовые кольца.
Как собрать (добавить) секции к алюминиевому радиатору
Смотрите это видео на YouTube
- Ниппели имеют две разнонаправленные резьбы. Их чуть-чуть вкручивают в отверстия батареи с одной стороны.
- Одну или несколько секций в сборе придвигают к основной батарее так, чтобы во вторые отверстия вошли свободные концы фитингов.
- Специальный ключ продевают через отверстие первого блока и слегка проворачивают ниппель до щелчка. Щелчок свидетельствует о том, что резьбы двух деталей совпали правильно.
- Поворотом ключа ниппель втягивают в первый секционный блок.
- Вставив ключ со стороны второго блока, окончательно стягивают секции в единую конструкцию.
Все скручивания нужно производить не спеша, не прилагая чрезмерных усилий. Во время сборки нужно обязательно следить за тем, чтобы соединяемые детали стыковались без перекосов.
Варианты подключения радиаторов
Чтобы знать, как правильно подключить батарею отопления, нужно учесть, что помимо типов разводки трубопровода существует несколько схем подключения батарей к отопительной системе. К ним относятся следующие варианты подключения радиаторов отопления в частном доме:
В этом случае подключение отводящей и подающей трубы производится с одной стороны радиатора. Такой способ подключения позволяет достичь равномерного прогрева каждой секции при минимальных затратах на оборудование и небольшой объем теплоносителя. Чаще всего используется в многоэтажных домах, с большим количеством радиаторов.
Полезная информация: Если батарея, подключенная к системе отопления по односторонней схеме, имеет большое количество секций, эффективность ее теплоотдачи значительно снизится из-за слабого прогрева ее отдаленных секций. Лучше следить за тем, чтобы число секций не превышало 12 шт. или использовать другой способ подключения.
Используется при подсоединении к системе отопительных приборов с большим количеством секций. В данном случае подводящая труба так же, как и при предыдущем варианте подключения, находится сверху, а обратка – снизу, но располагаются они с противоположных сторон радиатора. Таким образом, достигается прогрев максимальной площади батареи, что повышает теплоотдачу и улучшает эффективность обогрева помещения.
Эта схема подключения, иначе называемая «ленинградкой», используется в системах со скрытым трубопроводом, проложенным под полом. При этом подключение подводящей и отводящей труб производится к нижним патрубкам секций, расположенных на противоположных концах батареи.
Недостатком данной схемы являются теплопотери, достигающие 12-14 %, компенсировать которые позволяет установка воздушных клапанов, предназначенных для удаления воздуха из системы и повышения мощности батареи.
Теплопотери зависят от выбора способа подключения радиатора
Для быстрого демонтажа и ремонта радиатора его отводящая и подводящая трубы комплектуются специальными кранами. Для регулировки мощности он снабжается терморегулирующим устройством, которое устанавливается на подводящей трубе.
Какими обладают алюминиевые радиаторы отопления техническими характеристиками. вы можете узнать из отдельной статьи. В ней вы также найдете перечень популярных фирм-производителей.
А о том, что собой представляет расширительный бачок для отопления закрытого типа. читайте в другой статье. Расчет объема, установка.
Советы по выбору проточного водонагревателя на кран есть здесь. Устройство, популярные модели.
Как правило, монтаж отопительной системы и установка радиаторов отопления производится приглашенными специалистами. Однако, используя перечисленные способы подключения радиаторов отопления в частном доме, это можно сделать самостоятельно, строго соблюдая технологическую последовательность этого процесса.
Если выполнить эти работы точно и грамотно, обеспечив герметичность всех соединений в системе, с ней не возникнет никаких проблем при эксплуатации, а расходы на монтаж будут минимальными.
На фото пример диагонального способа установки радиатора в загородном доме
Порядок действий при этом будет следующим:
- Демонтируем старый радиатор (при необходимости), предварительно перекрыв отопительную магистраль.
- Производим разметку места установки. Фиксация радиаторов производится на кронштейны, которые нужно прикрепить к стенам, с учетом нормативных требований, описанных ранее. Это нужно учитывать при разметке.
- Крепим кронштейны.
- Собираем батарею. Для этого на имеющиеся в ней монтажные отверстия устанавливаем переходники (идут в комплекте с прибором).
Внимание: Обычно два переходника имеют левую резьбу, и два – правую!
- Для заглушки неиспользуемых коллекторов используем краны Маевского и запорные колпачки. Для герметизации соединений используем сантехнический лен, наматывая его на левую резьбу против часовой стрелки, на правую – по часовой.
- Прикручиваем краны шарового типа к местам соединения с трубопроводом.
- Вешаем радиатор на место и соединяем его с трубопроводом с обязательной герметизацией соединений.
- Производим опрессовку и пробный пуск воды.
Таким образом, перед тем, как подключить батарею отопления в частном доме, необходимо определиться с типом разводки в системе и схемой ее подключения. Монтажные работы при этом можно выполнить и самостоятельно, учитывая установленные нормы и технологию процесса.
Как проводится установка батарей отопления в частном доме видео продемонстрирует вам наглядно.
Нижнее подключение
Нижнее подключение радиаторов
При нижнем подключении радиаторов подающая труба подключена к нижнему боковому отверстию прибора отопления, а отвод теплоносителя производится из нижнего отверстия, расположенного на противоположной стороне радиатора. Благодаря естественной конвекции тепло, поступающее снизу, поднимается вверх и полностью прогревает прибор отопления. Однако в верхних углах радиатора при таком подключении образуются застойные холодные зоны, наличие которых снижает эффективность работы прибора отопления в среднем на 5%.
Несмотря на этот недостаток, нижняя схема обвязки радиатора широко распространена в частных домах, особенно при использовании однотрубной системы отопления. Как правило, основным аргументом в ее пользу является малая материалоемкость – труб для нижней схемы подключения потребуется немного меньше, чем при реализации диагональной схемы подключения.
Способы подключения радиаторов
Предпочтительный способ подключения радиаторов к трубопроводу производитель указывает в паспорте батареи.
Их можно разделить на три вида:
- диагональный;
- боковой;
- нижний.

Диагональный вариант наиболее эффективен в плане теплоотдачи. Однако в однотрубных системах способ вызывает повышенный расход материала и выглядит не лучшим образом.

Боковой способ подходит для вертикальной схемы, когда теплоноситель поступает в верхний коллектор радиатора, а удаляется через нижний.

Для нижнего подключения штуцеры радиатора должны располагаться внизу прибора, такие изделия дороже на 10-20%. Нижнее подключение снижает производительность радиатора на 15-20%, это необходимо учитывать при расчёте системы. В то же время нижнее подключение позволяет максимально скрыть проводку, залив трубы в пол или выводя их через перекрытие нижнего этажа.Как на самом деле выбрать самые дешевые на рынке радиаторы отопления
Разбираемся в популярности алюминиевых радиаторов отопления
Плюсы и минусы диагонального подключения радиаторов отопления
Отличительной особенностью диагональной схемы является подвод трубопровода к радиаторам. Чтобы отопление было максимально эффективное, нужно ознакомиться с положительными и отрицательными сторонами такого подключения.

Плюсы:
- Схема обладает высокой эффективностью, считается оптимальным выбором для частного дома. КПД отопления превышает 90%.
- При диагональном способе подключения можно устанавливать на отопительном приборе обогрева большое количество секций – оптимально до 24 штук.
- Во время циркуляции теплоносителя по секциям образуется контур градиента.
Минусы:
- Эффективность отопления достигается, когда подключение способом по диагонали выполнено в двухтрубной системе. Для однотрубной схемы такой вариант плохо подходит.
- Подвод двух труб к отопительному прибору обогрева с разных сторон не эстетично смотрится внутри помещения.
- При диагональной схеме подвод патрубков к прибору обогрева происходит с двух сторон. В будущем, если надо добавить или уменьшить количество секций, трубопровод придется разрезать.
- Для квартир диагональная схема используется редко, а в некоторых случаях вовсе не доступна.
- Монтаж отопительного контура по диагональной схеме затратный, так как требует больше материалов и работы.
Чтобы иметь четкое представление о диагональном способе подсоединения, надо разобраться с его особенностями и нюансами.
2 Схемы подключения батарей

Кроме того, передача тепла по цепочке от одного радиатора к другому приводит к тому, что каждый из них имеет разную температуру, в результате чего в жилом помещении создаются более и менее теплые зоны с отличными уровнями влажности. И чем ближе к трубе подачи или котлу находится радиатор, тем горячее будет в нем вода. Наиболее удаленные от системы батареи, напротив, будут поддерживать самую низкую температуру в секциях, а следовательно, и во всем помещении в целом.
Отличительная черта двухпроводной системы заключается в том, что она имеет две отдельные магистральные трубы, одна из которых предназначена для подачи, в то время как вторая выполняет роль обратки. Такое устройство позволяет соединить батареи отопления между собой, подключая их к системе по параллельной схеме. Это очень удобно, так как каждый радиатор можно будет оборудовать регулятором температуры, да и подача тепла в этом случае становится равномерной. Однако не обошлось и без недостатков, ведь для того, чтобы запитать радиаторы по такой схеме, понадобится в два раза больше труб.





































